| Sign In | Join Free | My benadorassociates.com |
|
Brand Name : Shareway
Model Number : HA3585-BL_ / HA3586-BL_
Certification : CE UL RoHS ISO9001:2008
Place of Origin : Guangdong China
MOQ : 100/500/1000
Price : Supportive
Payment Terms : TT,Paypal
Supply Ability : 3000K.PCS/Month
Delivery Time : Stock or 3 weeks
Packaging Details : 175pcs/Reel
Product name : Flyback Transformers HA3585-BL_ / HA3586-BL_ For Akros AS1113 PoE Controller
PoE : With PoE
Weight : 5.3 – 5.7 g
input : 10 – 57 V
Type : Flyback transformer
Application : PoE applications
Flyback Transformers HA3585-BL_ / HA3586-BL_ For Akros AS1113 PoE Controller
Feature:
• Flyback transformer for 13 W PoE applications
• Designed to operate with 10 – 57 V input at 300 kHz
• 500 Vrms, one minute isolation from primary to secondary windings
Core material Ferrite
Terminations RoHS tin-silver over tin over nickel over phos bronze.
Other terminations available at additional cost.
Weight 5.3 – 5.7 g
Ambient temperature –40°C to +125°C
Storage temperature Component: –40°C to +125°C.
Tape and reel packaging: –40°C to +80°C
Resistance to soldering heat Max three 40 second reflows at
+260°C, parts cooled to room temperature between cycles
Moisture Sensitivity Level (MSL) 1 (unlimited floor life at <30°C /
85% relative humidity)
| Part number | Inductance at 0 A ±10% (μH) | Inductance at Ipk min (μH) | DCR max (Ohms) | Leakage inductance max (μH) | Turns ratios | Ipk (A) | Output | |||||
| pri | sec | bias | sync | pri : sec | pri : bias | pri : sync | ||||||
| HA3585-BL_ | 40 | 36 | 0.140 | 0.014 | 0.220 | 0.255 | 0.740 | 1:0.29 | 1:0.43 | 1:0.43 | 2.6 | 3.3 V, 3.9 A |
| HA3586-BL_ | 40 | 36 | 0.140 | 0.024 | 0.230 | 0.265 | 0.625 | 1:0.36 | 1:0.43 | 1:0.43 | 2.6 | 5.0 V, 2.6 A |
1. Inductance is for the primary, measured at 300 kHz, 0.5 Vrms.
2. Peak primary current drawn at minimum input voltage.
3. DCR for the secondary is with the windings connected in parallel.
4. Leakage inductance is for the primary windings with the secondary windings shorted.
5. Turns ratios are with the secondary windings connected in parallel.
6. Output of the secondary is with the windings connected in parallel.
Bias winding output is 5 V, 20 mA.
Flyback Transformers HA3585-BL_ / HA3586-BL_ For Akros AS1113 PoE Controller
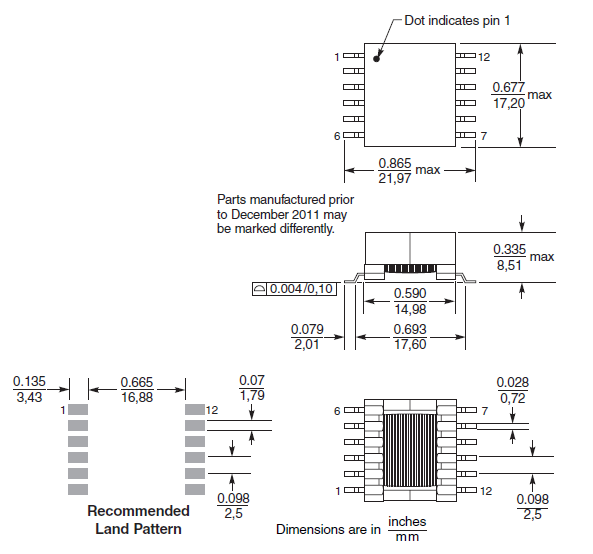
Shape and Dimensions:

Product picture:

|
|
Flyback Transformers HA3585-BL_ / HA3586-BL_ For Akros AS1113 PoE Controller Images |